ここから本文です。

取材協力甲村ハウジング株式会社

木工事とは、建物を建てるときに使用する木材の加工や組み立て、取り付けなど、木材を使用した工事全般を担う仕事のことです。主に大工が中心となって作業を行います。
一方、近年は機械化によって木工事は進化しています。かつては造作大工(ぞうさくだいく)が現場で木材の加工を行っていましたが、現在は工場で機械を使って加工したものを造作大工(ぞうさくだいく)が現場で組み立てています。こうすることで、効率的かつ正確に、若い人や経験が浅い職方(しょくかた)も一定の品質を保って木工事をすることができます。
一番人数が多い職種は造作大工(ぞうさくだいく)です。天井や床、階段、窓の額縁、ドア枠といった柱や梁(はり)などの構造部分以外の内装工事を行います。他には、建物に備え付ける家具をつくる家具大工、フローリングを張る床貼(ゆかば)り大工などが働き手となります。
その他に、建物全体の設計図面から木工事を行うための詳細な図面を作成をするCAD(キャド)オペレーターや木材を加工する機械のオペレーターがいます。工事現場と工場をつなぐ番頭(ばんとう)という担当もいます。


まずは打ち合わせからスタートです。
木工事は主にゼネコンなど建設業者がお客様です。奈良県内だけでなく、全国の施設や建物の工事を請け負います。保育園や学校、体育館、文化施設といった公共施設が多いのも特徴です。
お客様の「こういったものを建てたい」という要望を伺い、できる限り実現する方法を考え提案します。また、現場の環境や使用用途などを考慮して当初の設計とは異なる樹種(じゅしゅ)や仕様を提案することもあります。その後、見積りを提示し、お客様からOKが出れば、次のステップに進みます。






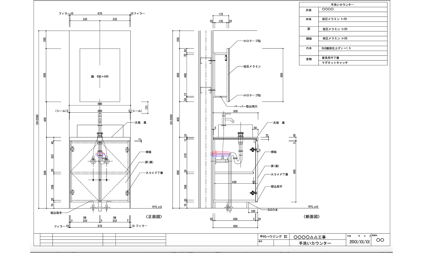
お客様からいただいた建物全体の図面をもとに、大工が施工するためのより詳細な図面をCAD(キャド)というソフトウエアで作成します。
設計士が描いた設計図は「建てたい建物」のイメージです。CAD(キャド)オペレーターは建物に使われる木の部分を具現化することが仕事です。誰でも図面どおりに施工すれば組み立てられるよう、平面図、展開図、断面図、詳細の拡大図面など細かく作成します。例えば、洗面台のカウンターの図面を作る場合は、メーカーの図面に合わせて、洗面台が収まるよう寸法・品番等を図面に描いていきます。また、天井の図面の場合には、板を貼る順番も記さなければなりません。
工事に必要となる木材の数量の把握や発注も、CAD(キャド)で作成した図面を見て行うため、誰が見ても分かる図面を作ることが求められます。




CAD(キャド)で作成した図面は、現場の造作大工(ぞうさくだいく)に確認してもらいながら、さらに図面を仕上げていきます。過去の施工事例や多くの職方(しょくかた)の意見を設計士に伝え、「建てたい建物」と実際の施工が擦り合うまで何度もやりとりを重ねます。また、工事が進むにつれて現場が変わってくることもあるため、描いている図面との違いをその都度確認し、修正していくことも必要です。
CAD(キャド)オペレーターはパソコンに向かっている仕事というイメージがありますが、お客様の要望を丁寧に聞き取ったり、現場の職方(しょくかた)と連携したり、人との関わりが多い仕事です。
図面が出来上がると責任者がチェックし、完成すれば職方(しょくかた)にバトンタッチします。




次に、CAD(キャド)オペレーターと連携しながら、工場で木材加工をします。今までは職人が手作業でしていた穴あけなどの細かな加工も、CAD(キャド)で作成した図面データを読み込ませることで機械でできるようになりました。
工事現場で使う部材を工場で加工し、組み立てる部分ごとにまとめます。現場で木材を加工すると、木くずが出て掃除が必要になるなど仕事が増えますが、工場で加工することによって、品質を一定に保つことができ、現場での作業がスムーズになります。また、材料の選別も工場で行うため、悪い材料をあらかじめ避けることも可能です。
機械化は現場での無駄な作業を減らすことができ、職方(しょくかた)は本来の仕事に集中することができます。






最後は現場での木工事です。
仕上がりをイメージし、工場で加工した木材を使ってどういう順番で組み立てていくと良いかを考えながら施工します。
一方、たとえ工場で加工し、チェックした材料であっても、現場の職方(しょくかた)が「この材料は悪い」と判断したものは使いません。最終的な判断は現場の造作大工(ぞうさくだいく)に委ねられているのです。








甲村ハウジング株式会社
スタッフさん

日々の仕事の中で、やりがいや喜びを感じる瞬間はどんなときですか?
橋本さんわたしは今、家具の設計をしているのですが、その作図や加工に関わった家具が搬入され、実際にちゃんと出来上がっているのを見たときに、一番やりがいを感じますね。
今西さんわたしは現場アシスタントとして現場に行くことが多いのですが、1回目に出向いたときと2回目に出向いたときで、どんどん建物が出来上がっている姿を見ることができたり、木の温かさなどを実際に感じられたときに、大きなやりがいを感じます。
逆に、どんなときに難しさや大変さを感じますか?
梅林さん木は種類によって、性質や強いところ弱いところが違ってくるので、そこを理解しないといけないところだとか、現場が進むにつれて変更点がよく出てくるので、それに対応しないといけないところはすごく大変だと思います。
橋本さん建築物は他の人の手によって作られていますが、その図面どおりに出来上がるわけではなく、1mm、2mmぐらいの誤差というものがあります。そのため、その建築物に当てはめる家具などを制作するときに、ぴったりとはめようとすると、実際に現場で寸法を測ったりしないといけないので、遠い現場まで行って1部屋1部屋測っていくときが、ちょっと大変だなって感じますね。
木材で作られた内装や家具、建具(たてぐ)の良さとは何だと思いますか?
今西さん木材の魅力というのは、やっぱり世界に一つしかない点だと思います。一つとして同じ柄がないので、いろんなところで使われて一つ一つの色が出ているところがすごく魅力的だと思います。奈良県産材を実際に目の当たりにすると、すごく香りがいいなと感じます。入社した当初も、新しくできた御所の工場に入った瞬間、木の香りがしたので、すごく心地が良くなりました。ですので、実際に公共施設などで奈良県産材が使われて、みなさんに心地よく過ごしていただけるといいなと思います。
梅林さん木材を家具や建具(たてぐ)などに使うことによって、自然の木の状態のままだと伝わらない一つ一つの木の表情の良さというか、そういったものを身近に感じることができるのが木の造作工事(ぞうさくこうじ)の良さだと思います。
甲村ハウジング株式会社
代表取締役社長 甲村 耕三さん

木工事の仕事は、社会の中でどのような役割をもっていると感じますか?
奈良県は木の産地であり、多くの公共建築物があります。その中で、木もふんだんに使っていただきますが、まだまだ多くの一般市民の方々に、木に触れていただく機会というのは限られています。多くの企業では、今、オフィスの木質化に取り組んでおられて、より良い環境で働くことによって、心身がより良い方向に向かい、働くスキルが上がるという結果も出ています。また学びの場においても、木に触れる機会を多く持つことによって、子どもの学力が上がるという、いろいろな答えも出てきています。このように木材に関わることで、より良い方向に進んでいくのではないかなと考えています。
熟練の大工が持つ専門性の高い技術を継承するために、どのような取り組みをされていますか?
奈良県の製材業ならびに山林業では多くの方が働いておられます。しかし年配の方が多く、木に関わる若い働き手が非常に不足していると考えます。そんな中で、今のIT社会におけるDX(デジタルトランスフォーメーション)を進めていくことによって、若い人も木の知識がなくても働ける環境を提供し、一人でも多く、「木に関わる仕事をしてみたい」、「家具を作ってみたい」、「何かを作ってみたい」という思いを馳せられるような環境を提供することが、企業に求められる時代になってきたと考えています。
当社は、多くの職方(しょくかた)さんを抱えていますが、残念ながら、高齢化社会になってきていますので、職方(しょくかた)さんも含めて年齢層が上がってきて、技術の伝承という面において非常に危惧される環境になってきています。そんな中で、職方(しょくかた)の技量に頼ることが非常に大きい造作業から脱却するためには、若い力やITの技術を使うことによって、誰もが気軽に木工に関わる仕事ができ、それが「楽しい」と思える環境を提供していくことが、今後のこの業界にとって、非常に有益だと考えています。そのため、機械化を導入することによって、新たなチャレンジができるんじゃないかと考えています。
日々の仕事の中で、やりがいや喜びを感じる瞬間はどんなときですか?
木工事という木に関わる仕事は、一つの工事をするにあたって、材料を作り、製材をして、加工をし、取り付けて、その間にも図面を描いてという非常に多岐にわたる仕事です。多くの人のつながりによって、一つの建物、一つの部位ができていきます。
建物を作ったときの一番の喜びというのは、非常に難しい線の図面を形に変えていくという作業をしているので、「どうやってこの建物を作ったの?」、「どうやってこの加工をしたの?」と思ってもらえたときです。木材というのは非常に加工しやすくて簡単な部分もありますが、逆に言うと、非常に難しい部分もある。そういった部分を多くの人に見ていただくことによって、「どうやってやったの?」、「どうなってるいるんだろう?」、「こういうことをやってみたい!」という探究心を持ってもらい、一人ひとりが木に関心を持つ機会を作ることが、わたしたちの仕事の最大の喜びかなと考えています。
ずばり、木工事の魅力とは?
当社は奈良県の会社でして、木に関わる環境に恵まれているため、木に関わる知識をたくさん持っています。その中で造作工事(ぞうさくこうじ)というのは、1枚の図面を形に変えていく、非常に難しい仕事で、多岐多様にわたるステップを踏まえて、完成まで関わっていきます。一つ一つの線を形に変えていく、具現化することによって、多くの人々に建築や造作(ぞうさく)ってすごいなという魅力を与える仕事であることに、喜びを感じています。
みなさまの周りには、多くの木に関わる機会や建物があります。ただ単に建物を見るだけではなく、「どういう材料を使っているのか」、「何でできているのか」というふうに興味を持ってもらうことによって、「木に関わる仕事をしたい」、「こんなところで働きたい」という気持ちを、少しでも持ってもらうことが、わたしたちの最大の目的でありますので、そのような仕事を、今後とも末永くやっていきたいと考えています。
さらに詳しくは動画をチェック!
取材協力:甲村ハウジング株式会社
〒635-0031 奈良県大和高田市今里町16-41
TEL:0745-52-0293
HP:甲村ハウジング ホームページ